Page 3 - 精益求精 追求卓越
P. 3
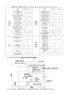
规格型号及主要技术参数 Specification, Model and Main Technical Parameters
项目 单位 项目 单位
Dimension GYDC-50 Dimension GYDC-50
Items Items
工作台(磁盘)直径 X 轴横向移动行程
Table (chuck) mm Φ500 Horizontal movement mm 800
diameter stroke of axis X
最大工件回转直径 Z 轴垂直移动行程
Maximum rotation mm Φ500 Horizontal movement mm 400
diameter of workpiece stroke of axis X1
最大工件高度 Y 轴纵向移动行程
Maximum workpiece mm 300 直线 Vertical movement mm 350
基本 height stroke of axis Z/Z1
参数 最大工件重量 伺服轴 快速移动
Linear
Basic Maximum workpiece kg 350 servo axis Quick movement m/min 10
parameters weight
最小磨削工件内孔 进给分辨率
Minimum inner bore of mm 0 Feed resolution mm 0.001
ground workpiece
机床总功率 KVA 120 定位精度 mm 0.004
Total power Positioning accuracy
机床总重量 t 15 重复定位精度 mm 0.002
Total weight Repeated positioning
accuracy
回转精度(轴向/径 主轴回转精度
向) (轴向和径向)
Rotation precision mm 0.001 Spindle rotation mm 0.001
precision
(axial and radial (axial and radial
runout)
砂轮 runout)
主轴 立式砂轮主轴
工作台 最高转速 Grinding 最高转速
Table Maximum revolution rpm 150 Wheel Maximum revolution rpm 150
speed spindle speed of vertical
grinding wheel spindle
立式砂轮主轴
定位精度 " 4 电机功率 kW 50
重复定位精度 " 2
*机床平面布局示意图 Diagram of Machine Tool Plane
*由于技术进步,本册内容仅供参考,如若变更恕不另行通知,以双方签订的技术文件为准!

